Механизм изменения фаз ГРМ Audi A6 C6 4F2 2004-2008 АКПП, 06E103697E | 15550
Адрес
Россия, Санкт-Петербург, Дальневосточный проспект, дом 1, корпус 3
Способы оплаты
- Наличные
- Банковская карта
- Безналичный расчет
Стоимость доставки
Уточняйте условия доставки у продавцаУсловия гарантии
Уточняйте условия гарантии у продавцаОтзывы








Ищешь для друга? - Поделись!
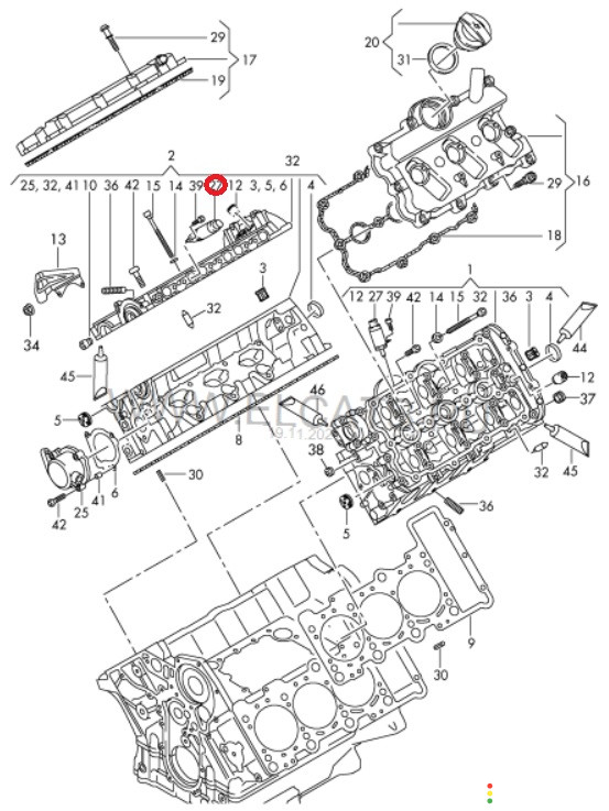
Ванус / фазорегулятор
700 ₽
В наличии
Санкт-Петербург
Примечание
В НАЛИЧИИ 6 ШТ. 2.8 BDX. 3.3 CALA. Применяется: Audi A3 [8V] 2013-2020 Audi A4 [B8] 2007-2015 Audi A4 [B8] Allroad 2009-2015 Audi A5/S5 [8F] Cabrio 2010-2016 Audi A5/S5 [8T] Coupe/Sportback 2007-2016 Audi A6 [C6,4F] 2004-2011 Audi A6 [C7,4G] 2011-2018 Audi A7 (4G8) 2011-2018 Audi A8 [4H] 2010-2017 Audi Q5 [8R] 2008-2017 VW Golf Plus 2005-2014 VW Golf V 2003-2009 VW Golf VI 2009-2013 VW Golf VII 2012-2020 \nВ разборе Audi A6 (C6, 4F) Ауди А6 Ц6, седан, 2.8, АКПП, 2008 г.в. ( Дорестайл), Quattro 4...
Артикул | 15550 |
---|---|
Марка | Audi |
Модель | A6 |
Поколение | C6 (2004-2008) |
Год | 2008 |
Ориг. номера | 06E103697E |
Тип КПП | АКПП |