Патрубок системы охлаждения Volkswagen Passat CC 358 2008-2012 МКПП, 1K0121109AK | 25777
Адрес
Россия, Санкт-Петербург, Дальневосточный проспект, дом 1, корпус 3
Способы оплаты
- Наличные
- Банковская карта
- Безналичный расчет
Стоимость доставки
Уточняйте условия доставки у продавцаУсловия гарантии
Уточняйте условия гарантии у продавцаОтзывы






Ищешь для друга? - Поделись!
Патрубок охлаждения
400 ₽
В наличии
Санкт-Петербург
Примечание
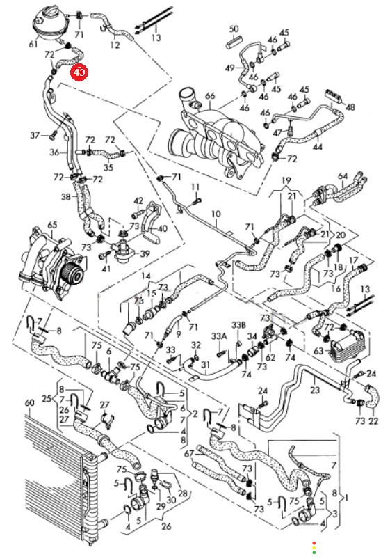
По запросу пришлём видеообзор запчасти!\nРасширительный бачок ОЖ> трубопровод ОЖ.\n1.8- 2.0 BZB, CCTB, CCTA, CAWB, CDAA, CDAB, CCZB и др.\n\nПрименяется: Audi A3 [8P1] 2003-2013 Audi A3 [8PA] Sportback 2004-2013 Seat Altea 2004-2015 Seat Leon (1P1) 2005-2013 Seat Toledo III 2004-2009 Skoda Octavia (A4 1U-) 2000-2011 Skoda Octavia (A5 1Z-) 2004-2013 Skoda Superb 2008-2015 Skoda Yeti 2009-2018 VW EOS 2006-2015 VW Golf VI 2009-2013 VW Golf VII 2012-2020 VW Jetta 2006-2011 VW Jetta 2011-2018 VW P...
Артикул | 25777 |
---|---|
Марка | Volkswagen |
Модель | Passat CC |
Поколение | 1 поколение (2008-2012) |
Год | 2011 |
Ориг. номера | 1K0121109AK |
Тип КПП | МКПП |