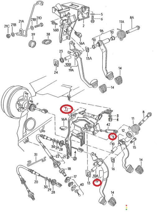
Педали с кронштейном МКПП Volkswagen Golf 2 19E 1983-1992, 191721111C | 28514
Адрес
Россия, Санкт-Петербург, Дальневосточный проспект, дом 1, корпус 3
Способы оплаты
- Наличные
- Банковская карта
- Безналичный расчет
Стоимость доставки
Уточняйте условия доставки у продавцаУсловия гарантии
Уточняйте условия гарантии у продавцаОтзывы











Ищешь для друга? - Поделись!
Узел педальный (блок педалей)
1 000 ₽
В наличии
Санкт-Петербург
Примечание
Есть ржавчина, не сквозная! \nНа шплинте педали газа потерян стопор, можете переставить от вашей педали!\nМКПП.\n\nПрименяется: VW Golf II/Jetta II 1983-1992\nSeat Toledo I 1991-1999\n\nУ нас есть видеообзор товара, предоставим по запросу. \n- На все запчасти есть гарантия! \n- Работаем с регионами, доставка до транспортной компании бесплатная. \n- Доставка по городу по договорённости.
Артикул | 28514 |
---|---|
Марка | Volkswagen |
Модель | Golf |
Поколение | 2 поколение (1983-1992) |
Год | 1986 |
Ориг. номера | 191721111C |