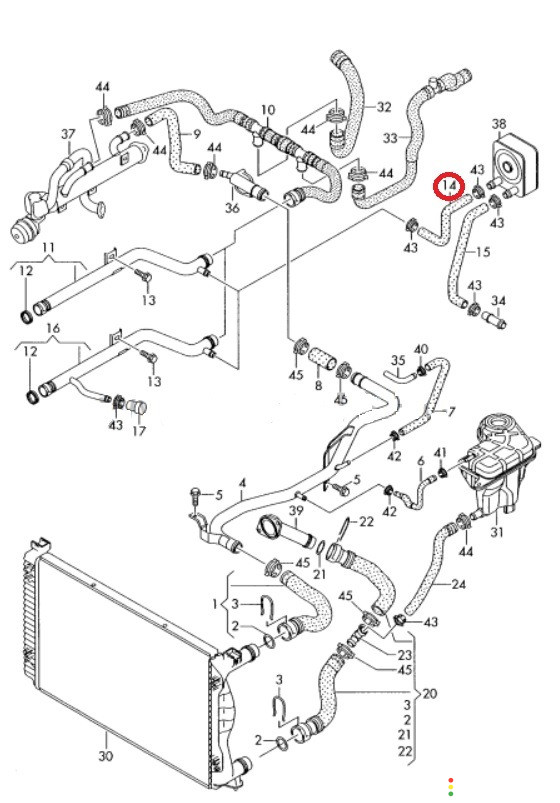
Патрубок системы охлаждения Audi A4 B7 8EC 2004-2009 МКПП, 1K0121058P | 28627
Адрес
Россия, Санкт-Петербург, Дальневосточный проспект, дом 1, корпус 3
Способы оплаты
- Наличные
- Банковская карта
- Безналичный расчет
Стоимость доставки
Уточняйте условия доставки у продавцаУсловия гарантии
Уточняйте условия гарантии у продавцаОтзывы







Ищешь для друга? - Поделись!
Патрубок охлаждения
300 ₽
В наличии
Санкт-Петербург
Примечание
2.0 BLB, BNA, BRE, BRF, BVF, BVG, BRD и др.\n\nПрименяется: Audi A3 [8P1] 2003-2013\nAudi A3 [8PA] Sportback 2004-2013\nAudi A4 [B7] 2005-2007\nAudi A6 [C6,4F] 2004-2011\nSeat Altea 2004-2015\nSeat Leon (1P1) 2005-2013\nSeat Toledo III 2004-2009\nSkoda Octavia (A5 1Z-) 2004-2013\nSkoda Superb 2008 - 2013\nVW Golf IV/Bora 1997-2005\nVW Golf Plus 2005-2014\nVW Jetta 2005-2011\nVW Passat [B6] 2005-2010\n\nУ нас есть видеообзор товара, предоставим по запросу. \nВ разборе Audi A4 (B7), Ауди А4 Б7, се...
Артикул | 28627 |
---|---|
Марка | Audi |
Модель | A4 |
Поколение | B7 (2004-2009) |
Год | 2005 |
Ориг. номера | 1K0121058P |
Тип КПП | МКПП |